Products
Auger gearboxes

Auger gearboxes

Raydafon Group's Auger gearboxes deliver robust performance for industrial applications, featuring durable materials, precision engineering, and smooth operation to enhance efficiency and reliability. Ideal for manufacturers and construction professionals, they solve downtime issues, offering unmatched durability and superior torque control.

Auger Boxes.

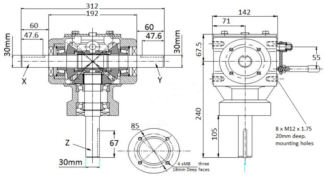
Gearboxes especially designed for use on grain augers

This selection of gearboxes, are designed specifically for use on grain handling augers. But can be used in other situations.

The range includes standard fixed T designs, forward reverse models for direction change and a 45 degree angled box suitable for use on field bins.


Size for exsamples for items please send us inquire!


design offers:

- Increased HP rating. Now 30 HP @ 540RPM.

- Improved gear selector and shaft assembly.

- Improved internal gear mechanism.

- Mounting holes for safety covers.

Gear ratio1:1

Power rating

30HP (22KW) @ 540 rpm

46HP (33KW) @ 1000 rpm

Input torque

389NM @ 540 rpm

315NM @ 1000 rpm

Output torque

389NM @ 540 rpm

315NM @ 1000 rpm

Unit weight16kg

Mounting4 x holes at 88mm centres

Shafts30mm diameter with 8mm key.

LubricantSAE 90 gear oil

Auger gearboxes



Gear ratio2:1 reduction

Power rating

16HP (11.8KW) @ 540 rpm

24HP (18KW) @ 1000 rpm

Input torque

208NM @ 540 rpm

172NM @ 1000 rpm

Output torque

416NM @ 540 rpm

344NM @ 1000 rpm

Unit weight17kg

Mounting4 x holes at 88mm centres

Shafts30mm diameter with 8mm key.

LubricantSAE 90 EP gear oil

Auger gearboxes

Gear ratio1.5:1 reduction

Power rating

20 HP (KW) @ 540 rpm

30 HP (KW) @ 1000 rpm

Input torque

265 NM @ 540 rpm

215 NM @ 1000 rpm

Output torque

398 NM @ 540 rpm

322 NM @ 1000 rpm

Unit weight23kg

Mounting4 x holes at 114.3mm centres

Shafts31.75mm diameter with 6.35mm key.

LubricantSAE 90 EP gear oil

Auger gearboxes

Hot Tags: Auger Gearboxes Manufacturer, Agricultural Gearbox Supplier, Industrial Auger Drives Wholesale
Send Inquiry
Contact Info

Interested in our gearboxes or custom components? 

Contact Raydafon for a prompt quotation and technical support. As responsive Manufacturers from China, we ensure clear communication and tailored solutions for every inquiry.

X
We use cookies to offer you a better browsing experience, analyze site traffic and personalize content. By using this site, you agree to our use of cookies. Privacy Policy
Reject Accept